Bình phun sương dầu làm mát CNC điều khiển Timer (Timer Control Oil Mist Unit) là giải pháp chuyên dụng giúp làm mát – bôi trơn dao cụ tự động theo thời gian cài đặt. Với thiết kế nhỏ gọn, dễ lắp đặt, kết hợp van điện từ, cảm biến mức dầu và khả năng hẹn giờ, sản phẩm giúp tăng hiệu quả gia công, bảo vệ dao cụ và tiết kiệm chi phí vận hành.
CNCMAN hiện cung cấp 2 model phổ biến: YS-BPV-CA, YSHT-CA
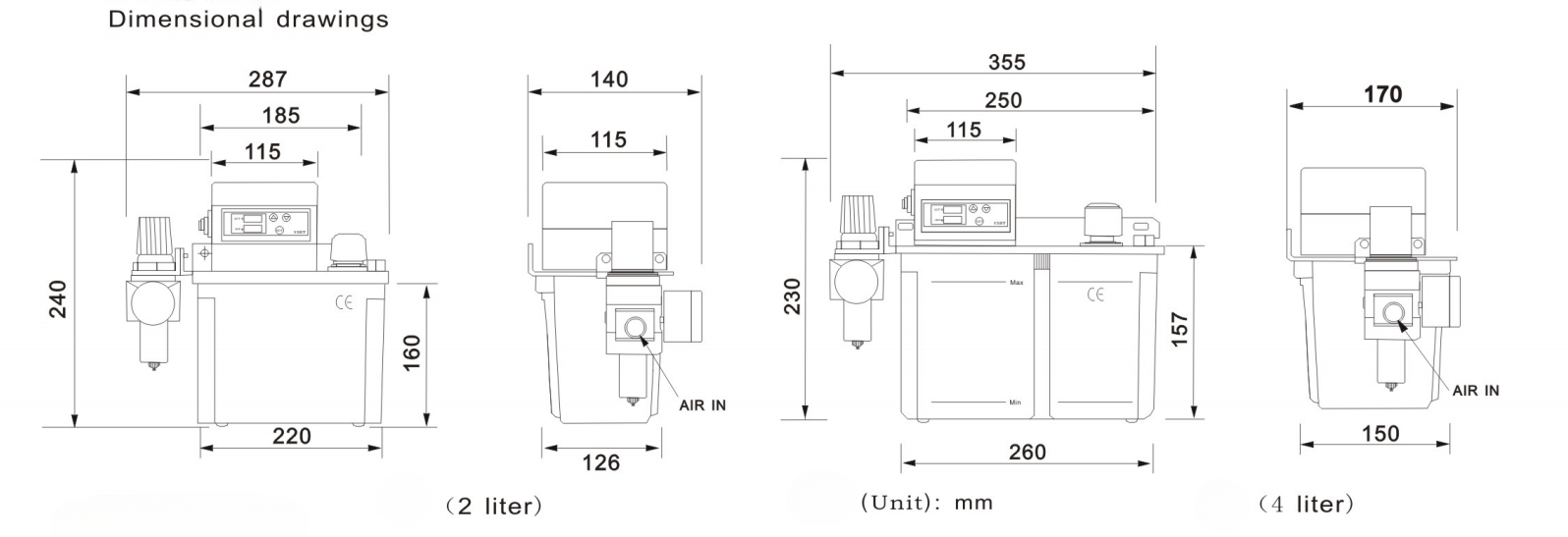
YS-BPV-CA – Bình phun sương dầu làm mát có Timer control.
Bộ Timer control: cài đặt thời gian phun sương tự động.
Van điện từ điều khiển nguồn khí nén.
Cảm biến mức dầu cảnh báo khi dầu xuống thấp.
Lựa chọn ống nhựa hoặc kim loại theo nhu cầu.
Điều chỉnh riêng biệt lưu lượng dầu và khí → tăng hiệu quả làm mát.
Tiêu thụ dầu ~7cc/phút, nước ~16cc/phút.
YSHT-CA – Phiên bản với bộ ống phun linh hoạt.
Hoạt động ổn định với bộ hẹn giờ tích hợp.
Điện áp linh hoạt: AC220V / AC110V / DC24V.
Bộ ống phun dài 300/470mm dễ thao tác.
Dùng với dầu/dung dịch sạch, không ăn mòn để bảo vệ hệ thống.
Thông số | YS-BPV-CA | YSHT-CA |
---|---|---|
Dung tích bình chứa | 2L / 4L / 8L / 20L | 2L / 4L / 8L / 20L |
Kiểu điều khiển | Timer | Timer |
Điện áp | AC220V / AC110V / DC24V | AC220V / AC110V / DC24V |
Van điện từ | ✔ | ✔ |
Cảm biến mức dầu | ✔ | ✔ |
Đường khí vào | 6mm | 6mm |
Đường dầu ra | 4mm | 4mm |
Chiều dài ống phun | 300mm | 300/470mm |
Chiều dài ống khí | 3000mm | 3000mm |
Bộ dây phun | YS-BPV-3000-III | YSHT-U/YSHT-D |
Độ nhớt dầu làm mát | 0–68cst | 0–68cst |
Áp suất khí yêu cầu | 5–7 kgf/cm² | 5–7 kgf/cm² |
Làm mát và bôi trơn dao cụ trong phay, tiện, khoan CNC.
Tự động hóa quá trình làm mát nhờ Timer control → giảm nhân công vận hành.
Tăng độ chính xác gia công, giảm mòn dao, nâng cao chất lượng bề mặt chi tiết.
Phù hợp cho cả xưởng nhỏ và dây chuyền CNC công nghiệp.
❓ Sản phẩm có tự động dừng khi hết dầu không?
👉 Có, nhờ cảm biến mức dầu sẽ cảnh báo và ngắt kịp thời.
❓ Timer control có lợi ích gì?
👉 Giúp tự động cài đặt thời gian phun, giảm thao tác thủ công, tiết kiệm khí nén và dầu.
❓ Tôi nên chọn YS-BPV-CA hay YSHT-CA?
👉 Cả hai đều có Timer, khác biệt chủ yếu ở bộ phụ kiện ống phun. Nếu cần độ linh hoạt cao → chọn YSHT-CA.
Sản phẩm có nhiều mã khác nhau. Quý khách vui lòng đọc kỹ thông số trước khi đặt hàng hoặc liên hệ hotline 0838.811.811 để được tư vấn chi tiết.
📍 Địa chỉ: 25/31 Sơn Kỳ, P.Tân Sơn Nhì, TP.HCM
📞 Điện thoại: 0838.811.811
🌐 Website: https://cncman.vn/
🎬 TikTok: CNCMAN TikTok