KAMISHIRO® KS-mini Clamp là dòng kẹp cơ khí cao cấp đến từ Nhật Bản, được thiết kế chuyên dụng cho gia công CNC, khuôn mẫu và jig fixture. Với thiết kế nhỏ gọn, độ chính xác cao và khả năng kẹp chắc chắn, KS-mini mang lại hiệu quả vượt trội trong không gian gá đặt giới hạn.
Các mẫu kẹp KS-mini M6 và KS-mini M8 hiện là lựa chọn hàng đầu của nhiều nhà máy và xưởng gia công chính xác trên toàn thế giới.


Thiết kế nhỏ gọn – linh hoạt
Dễ dàng bố trí nhiều vị trí kẹp trên cùng một tấm gá.
Phù hợp cho chi tiết nhỏ, phức tạp hoặc yêu cầu độ chính xác cao.
Lực kẹp mạnh mẽ – ổn định tuyệt đối
Mẫu KS-mini M6: Lực kẹp 6.6 kN
Mẫu KS-mini M8: Lực kẹp 8.8 kN
Độ vững chắc cao, giảm rung động khi gia công tốc độ cao.
Chất liệu cao cấp – độ bền vượt trội
Gia công từ hợp kim nhôm và thép SUM22, bề mặt phủ chống mài mòn.
Đảm bảo tuổi thọ lâu dài, chịu được môi trường làm việc khắc nghiệt.
Dễ thao tác – thay thế nhanh chóng
Cấu trúc đơn giản, chỉ cần một bu-lông siết là có thể cố định chắc chắn.
Tiết kiệm đáng kể thời gian setup và tháo lắp.


| Model | Lực kẹp (kN) | Mô-men siết (N·m) | Trọng lượng (g) | Vật liệu |
|---|---|---|---|---|
| KS-mini-M6 | 6.6 | 14.3 | 36 | Aluminium alloy, SUM22 |
| KS-mini-M8 | 8.8 | 14.5 | 85 | Aluminium alloy, SUM22 |
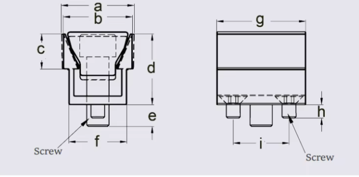
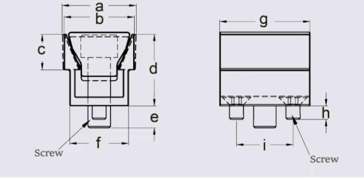
Kích thước chi tiết (mm):
| Model | a | b | c | d | e | f | g | h | i |
|---|---|---|---|---|---|---|---|---|---|
| KS-mini-M6 | 20.7 | 18.7 | 9.5 | 19 | 7 | 15.7 | 24 | 5 | 16 |
| KS-mini-M8 | 28.1 | 24.8 | 12.6 | 25.4 | 10 | 20.8 | 31.9 | 5 | 20 |


Hàng trăm khách hàng đã và đang sử dụng KAMISHIRO KS-mini Clamp trong các lĩnh vực:
Gia công khuôn mẫu (mold & die)
Sản xuất linh kiện hàng không, điện tử
Fixture cho trung tâm gia công 3 – 5 trục
Các hệ thống Modular Fixture Plate
Hình ảnh thực tế từ khách hàng cho thấy KS-mini hoạt động hiệu quả, giúp rút ngắn thời gian gá đặt, tăng năng suất gia công và cải thiện độ chính xác tổng thể.
Hộp 8 chiếc kẹp KS-mini chính hãng
Ốc siết M6/M8 tương ứng
Hướng dẫn lắp đặt và thông số kỹ thuật đi kèm

