Xích nhựa dẫn cáp MT010×15 là giải pháp tối ưu để bảo vệ và dẫn hướng dây cáp, ống thủy lực trong các hệ thống máy CNC, máy khắc, máy phay và nhiều thiết bị công nghiệp khác. Sản phẩm được chế tạo từ nhựa polyamide gia cường sợi thủy tinh, có độ bền cơ học cao, chống mài mòn và chịu được dải nhiệt độ rộng.
Với thiết kế nhỏ gọn, tải trọng nhẹ và độ ồn thấp, MT010×15 đặc biệt phù hợp cho các máy CNC mini, thiết bị tự động hóa vừa và nhỏ.
Hạng mục | Thông số |
---|---|
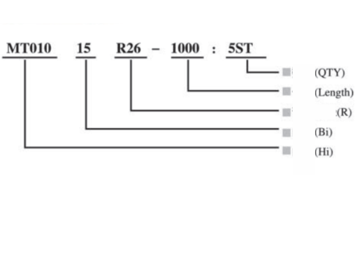
Model | MT010×15 |
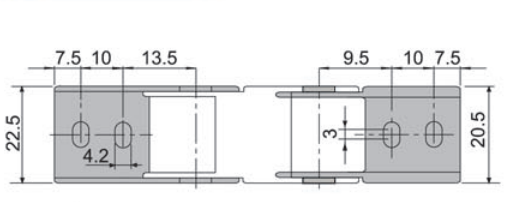
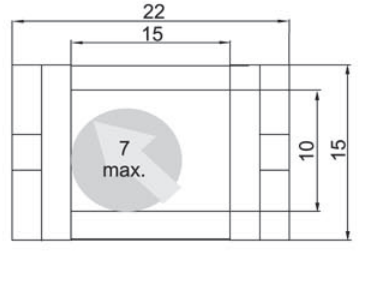
Kích thước trong (Hi×Bi) | 10mm × 15mm |
Kích thước ngoài (Ha×Ba) | 15mm × 22mm |
Bán kính uốn cong (R) | R26 mm |
Chiều dài mắt xích | 22 mm/mắt |
Trọng lượng | ~0.5 kg/m |
Vật liệu | Polyamide (PA66) gia cường sợi thủy tinh |
Tiếng ồn | ≤55 dB |
Tốc độ không tải | ≤5 m/s |
Tốc độ trượt | ≤2 m/s |
Chiều dài tự đỡ tối đa | 1.3 m |
Nhiệt độ làm việc | -40°C đến +130°C |
Ứng dụng | Máy CNC, máy khắc, máy đóng gói, thiết bị tự động |
Dẫn hướng và bảo vệ dây cáp điện, dây tín hiệu, ống dầu/khí nén.
Dùng trong máy CNC mini, máy khắc laser, máy phay, máy in 3D.
Giúp hệ thống vận hành ổn định, kéo dài tuổi thọ dây cáp.
✅ Vật liệu nhựa PA66 siêu bền, chịu va đập tốt.
✅ Trọng lượng nhẹ, tiếng ồn thấp.
✅ Dễ dàng lắp đặt và thay thế.
✅ Đảm bảo dây cáp không bị xoắn, gãy gập.
✅ Đáp ứng chuẩn công nghiệp, tương thích nhiều loại máy CNC.
1. Xích nhựa MT010×15 chịu được nhiệt độ bao nhiêu?
→ Sản phẩm chịu được từ -40°C đến +130°C, thích hợp cả trong môi trường nhiệt độ khắc nghiệt.
2. Có thể dùng cho máy CNC mini không?
→ Hoàn toàn phù hợp, nhất là các dòng CNC mini, laser và thiết bị tự động nhỏ.
3. Độ dài xích có thể đặt theo yêu cầu không?
→ Có, khách hàng có thể đặt theo mét hoặc theo bộ hoàn chỉnh kèm đầu nối.
4. Tiếng ồn vận hành có lớn không?
→ Xích có độ ồn thấp, ≤55dB, phù hợp môi trường xưởng sản xuất.
CNC|MAN – Giải pháp Công nghệ CNC
📍 Địa chỉ: 25/31 Sơn Kỳ, P.Tân Sơn Nhì, TP.HCM
📞 Điện thoại: 0838.811.811
🌐 Website: https://cncman.vn/
🎬 TikTok: CNC|MAN TikTok