Xích nhựa dẫn cáp MT010×40 được thiết kế chuyên dụng cho các hệ thống máy CNC, máy khắc, máy phay, máy cắt plasma, robot và thiết bị tự động hóa. Với rãnh trong 10×40mm, sản phẩm phù hợp để gom và bảo vệ nhiều loại cáp điện, ống dầu, ống khí cùng lúc, giúp hệ thống gọn gàng và tăng tuổi thọ dây cáp.
Được sản xuất từ nhựa polyamide (PA66) gia cường sợi thủy tinh, xích có khả năng chịu lực, chống mài mòn, giảm rung động và hoạt động ổn định trong môi trường công nghiệp nặng.
Hạng mục | Thông số |
---|---|
Model | MT010×40 |
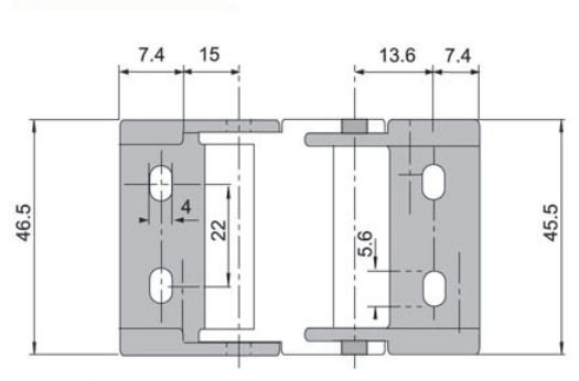
Kích thước trong (Hi×Bi) | 10mm × 40mm |
Kích thước ngoài (Ha×Ba) | 12mm × 48mm |
Bán kính uốn cong (R) | 48mm |
Chiều dài mắt xích | 22 mm/mắt |
Trọng lượng | ~1.0 kg/m |
Vật liệu | PA66 (Polyamide gia cường sợi thủy tinh) |
Tiếng ồn | ≤55 dB |
Chiều dài tự đỡ tối đa | 1.3 m |
Tốc độ không tải | ≤5 m/s |
Tốc độ trượt | ≤2 m/s |
Nhiệt độ làm việc | -40°C đến +130°C |
Ứng dụng | Máy CNC, robot, máy tự động, dây chuyền công nghiệp |
Gom, bảo vệ và dẫn hướng cáp điện, dây tín hiệu, ống dầu, ống khí trong hệ thống máy CNC và robot.
Dùng cho máy CNC khổ lớn, thiết bị tự động có nhiều cáp cần quản lý.
Giúp dây cáp tránh bị gãy, xoắn, va chạm khi máy vận hành tốc độ cao.
✅ Rãnh rộng 40mm, chứa được nhiều dây cùng lúc.
✅ Nhựa PA66 siêu bền, chịu nhiệt, chống va đập.
✅ Ít rung, êm ái, độ ồn thấp ≤55dB.
✅ Dễ lắp đặt, tháo rời, bảo trì.
✅ Tương thích đa dạng máy CNC & thiết bị công nghiệp.
1. Xích MT010×40 phù hợp nhất cho loại máy nào?
→ Máy CNC khổ lớn, robot, thiết bị có nhiều cáp điện & ống dẫn.
2. Có thể chọn chiều dài tùy chỉnh không?
→ Có, đặt hàng theo mét hoặc bộ hoàn chỉnh tùy nhu cầu.
3. Xích này chịu tải tối đa bao nhiêu?
→ Tải trọng cáp tối đa khoảng 1.0 kg/m.
4. Nếu chạy tốc độ cao có bị ồn không?
→ Với thiết kế chuẩn công nghiệp, độ ồn ≤55dB, hoạt động ổn định.
CNC|MAN – Giải pháp Công nghệ CNC
📍 Địa chỉ: 25/31 Sơn Kỳ, P.Tân Sơn Nhì, TP.HCM
📞 Điện thoại: 0838.811.811
🌐 Website: https://cncman.vn/
🎬 TikTok: CNC|MAN TikTok