Xích nhựa dẫn cáp MT010×20 được thiết kế để bảo vệ và dẫn hướng dây cáp, ống thủy lực trong các hệ thống máy CNC, máy khắc, máy phay, robot và thiết bị tự động hóa. Với chất liệu nhựa polyamide (PA66) gia cường sợi thủy tinh, sản phẩm có độ bền cơ học cao, chống mài mòn, vận hành êm ái và chịu được môi trường khắc nghiệt.
MT010×20 có kích thước rãnh trong 10×20mm, phù hợp cho nhiều loại dây cáp, ống khí, ống dầu với độ bền ổn định, tiếng ồn thấp và dễ lắp đặt.
Hạng mục | Thông số |
---|---|
Model | MT010×20 |
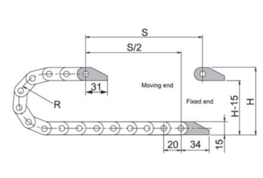
Kích thước trong (Hi×Bi) | 10mm × 20mm |
Kích thước ngoài (Ha×Ba) | 15mm × 28mm |
Bán kính uốn cong (R) | 26 mm (tùy chọn) |
Chiều dài mắt xích | 22 mm/mắt |
Trọng lượng | ~0.7 kg/m |
Vật liệu | Polyamide (PA66) gia cường sợi thủy tinh |
Tiếng ồn | ≤55 dB |
Chiều dài tự đỡ tối đa | 1.3 m |
Tốc độ không tải | ≤5 m/s |
Tốc độ trượt | ≤2 m/s |
Nhiệt độ làm việc | -40°C đến +130°C |
Ứng dụng | Máy CNC, máy khắc, máy phay, robot, thiết bị tự động |
Dẫn hướng và bảo vệ dây cáp điện, dây tín hiệu, ống khí nén/dầu thủy lực.
Sử dụng trong máy CNC mini, máy công nghiệp, robot tự động, dây chuyền sản xuất.
Giúp tăng tuổi thọ dây cáp, tránh xoắn/gãy, đảm bảo vận hành ổn định.
✅ Vật liệu nhựa PA66 siêu bền, chống va đập.
✅ Tải trọng ổn định, ít rung động, vận hành êm.
✅ Tiếng ồn thấp (≤55dB), phù hợp môi trường xưởng.
✅ Dễ dàng lắp đặt và thay thế.
✅ Ứng dụng linh hoạt cho nhiều thiết bị CNC và tự động hóa.
1. Xích MT010×20 có phù hợp cho dây cáp điện lớn không?
→ Phù hợp cho cáp và ống có đường kính ≤ 17mm.
2. Có thể đặt theo chiều dài mong muốn không?
→ Có, khách hàng có thể đặt theo mét hoặc bộ hoàn chỉnh.
3. Xích này chịu được nhiệt độ bao nhiêu?
→ Từ -40°C đến +130°C.
4. Khi chạy tốc độ cao có gây ồn không?
→ Độ ồn ≤55dB, phù hợp hầu hết môi trường sản xuất.
CNC|MAN – Giải pháp Công nghệ CNC
📍 Địa chỉ: 25/31 Sơn Kỳ, P.Tân Sơn Nhì, TP.HCM
📞 Điện thoại: 0838.811.811
🌐 Website: https://cncman.vn/
🎬 TikTok: CNC|MAN TikTok