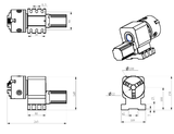
Trục thứ tư CNC (Rotary Axis – trục A) là phụ kiện mở rộng cho máy khắc CNC, giúp gia công chi tiết tròn, khắc chu vi, khắc xoay 360° với độ ổn định cao. Sản phẩm phù hợp cho máy khắc gỗ, nhựa, mica, nhôm mỏng và các ứng dụng gia công nhẹ.



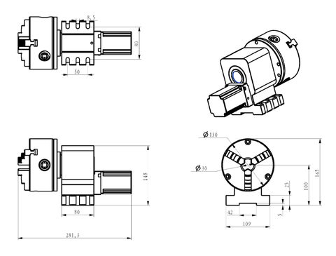
Trục quay CNC 100mm – mâm 3 chấu

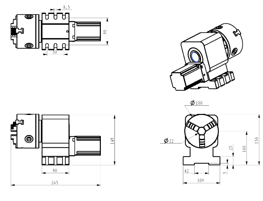
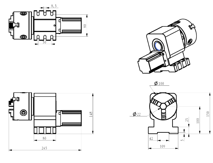
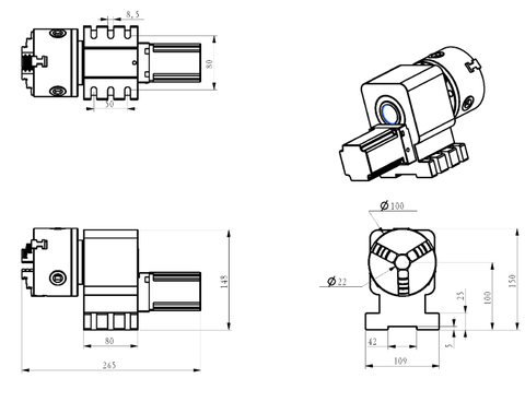
Trục quay CNC 100mm – mâm 4 chấu
Loại: Trục thứ tư CNC / Trục A / Rotary Axis / Đầu chia độ CNC
Model: CL100-10-100A / CL100-10-100B
Ứng dụng: Máy khắc CNC, máy khắc gỗ, máy khắc quảng cáo

| Hạng mục | Thông số |
|---|---|
| Mâm cặp | A: Mâm 3 chấu định tâm 100mm B: Mâm 4 chấu 100mm |
| Chiều cao tâm | 100 mm |
| Đường kính trục ra (thông lỗ) | 22 mm |
| Góc quay | 0,18° / bước |
| Tỷ số giảm tốc | 10 : 1 (bánh răng nghiêng mài chính xác) |
| Động cơ | Stepper 2 pha 57 (hàng mới, sản xuất trong nước) |
| Kích thước tổng thể | 210 × 168 × 145 mm |
| Trọng lượng | ~11 kg |
Bộ ngàm đảo chiều (ngàm ngược)
Cờ lê thao tác mâm cặp
Khắc ống tròn, trụ tròn, con lăn
Khắc chữ, logo, hoa văn quanh thân sản phẩm
Gia công CNC 4 trục cơ bản
Phù hợp xưởng quà tặng – quảng cáo – cơ khí nhỏ
• Trục này có dùng được cho Mach3 không?
→ Có, tương thích Mach3 và các bộ điều khiển CNC phổ biến.
• Chọn mâm 3 chấu hay 4 chấu?
→ 3 chấu: gá nhanh, phôi tròn.
→ 4 chấu: gá phôi vuông, lệch tâm.
• Có thông trục không?
→ Có, đường kính thông lỗ 22mm.